China-EMU努力收录更准确的中国动车组参数,高速铁路/城际铁路/城市轨道交通数据,但本站不是中国铁路官网,也不是中国中车公司官网,也不是地铁官网。历经多年的发展,中国动车组列车已经拥有很完备的产品系列,那么动车组都有哪些型号呢?和谐号目前有CRH1、CRH2、CRH3、CRH5、CRH380A、CRH380B、CRH380C、CRH380D,复兴号目前有CR400AF智能、CR400BF智能、CR400AF、CR400BF、CR300AF、CR300BF、CR200J-A、CR200J-B、CR200J-C、CR200J-D、CR200JS-G,城际市域动车组有CRH6A、CRH6F,没有CRH6S,还有CJ2、CJ3、CJ5、CJ6等,同时还有NDJ3。地铁列车也是动车组哦。高铁和动车都有哪些区别?它们是完全不一样的。中国动车组,动车组参数,中国高铁,中国高速铁路,城际铁路,城市轨道交通,复兴号,和谐号,动车组技术,不是中国铁路官网,不是中国中车官网,CR400,CR300,CR200,CR450,CRH380,CRH,Cinova,China-EMU,ChinaEMU,高铁类型,高铁都有哪些型号,高铁都有那些型号,动车组都有哪些型号,中国都有哪些动车组,动车和高铁,中国动车组的动车组参数,中国动车组大全,中国动车组所有型号,中国动车组列表,中国动车组发展史,中国动车组发展历程,本页面是
动车组
线路
旅程
话题
本站正在遭受“异常高强度访问”,可能随时出现不稳定或无法访问的情况。
图 / 董邱迪

CRH5J

2008年06月问世 共1组

主页
动车组列车
CRH5系列
CRH5J
多语言内容测试中…
CRH5J动车组2008年06月问世,属于CRH5系列,5M3T编组,列车全长211.5 m,设计速度275 km/h,最高实验速度300 km/h 。

CRH5J EMU Train was born in 2008/06, belongs to the CRH5 series, 5M3T in marshalling, the hole length is 211.5 m, has a maximum design speed of 275 km/h, and 300 km/h in the experiment .

電車の型番ですCRH5J, 2008年06月に誕生しました,CRH5系列に属します,列車の編成はこうです5M3T, 列車の全長は211.5 メートルです, 設計速度は275 km/hですが,実験での最高速度は300 km/h でした 。

CRH5J-0501,0号高速综合检测列车,原编号CIT001,研制项目于2007年04月02日正式启动,2008年06月30日交付使用。其检测范围包括了轨道、轮轨力、接触网、通信和信号系统等。

图 / Aiklld2364
外观
耐高寒
≤-40℃
主要技术参数
速度
275 km/h
设计速度
300 km/h
最高实验速度
外观
5M3T
编组
211.5 m
全长
3200 mm
宽度
4270 mm
车体高度
28050 mm
头车长度
27600 mm
头车车钩中心距
25900 mm
中间车车钩中心距
25000 mm
中间车车体长度
19000 mm
转向架中心距
2700 mm
转向架轴距
890/810 mm
新轮轮径(动/拖车)
1025 mm
车钩中心高度
950 mm
中间车钩高度
17 t
最大轴重
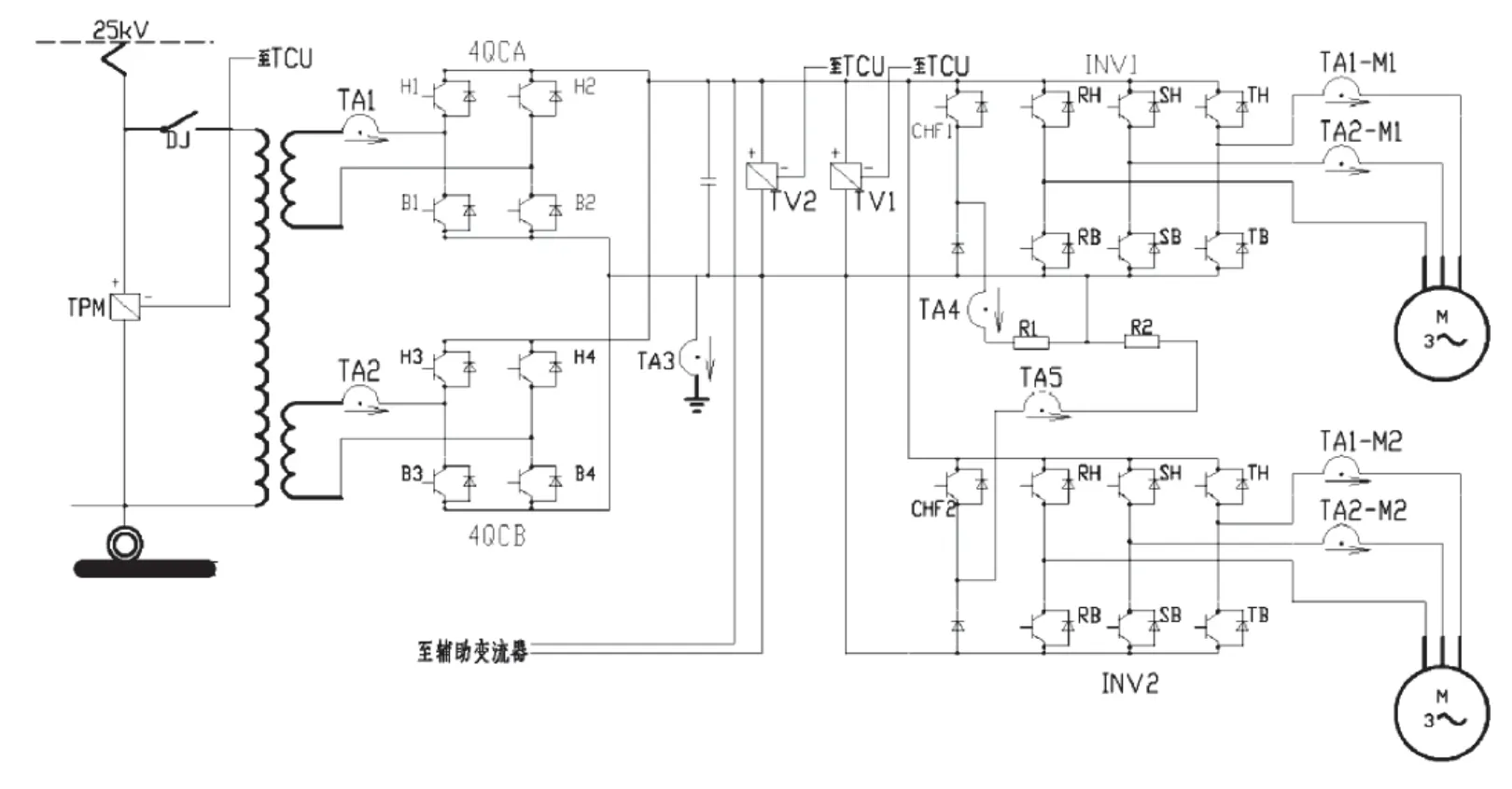
动力
YJ87A × 10
电机型号
568 kw
电机额定功率
5680 kw
装机功率
5500 kw
轮周功率
ONIX 233 XHP
牵引系统
性能
1.8 km/h/s
标定启动加速度(非实际运用情况)
145 m
通过最小曲线半径
160 + 10 + 160 m
通过最小S型曲线半径
-40~40
工作温度
控制
TCN(WTB+MVB)
列车网络
CTCS2-200C LKJ2000
列控系统
更多
CW250D/CW250
转向架型号 动/拖
XP55
踏面类型
停放制动
DSA250
受电弓型号
22.5 ~ 29 kV
正常运行网压
4592 / 6922 mm
落弓/最大高度
4868 ~ 6722 mm
受电弓工作高度
DC24 V
蓄电池电压
3NAC380V
外接电源电压
服务设施
Air Condition
空调
AC 220v
电源插座
热饮用水
电茶炉
卫生间
座便/蹲便
编组与席位
8
全列编组

全列定员
01车 Mc(A1) SY
02车 M(A1) SY
03车 Tp SY
04车 M(A1) SY
05车 T SY
06车 Tp SY
07车 M(A1) SY
08车 Mc(A1) SY
厂商及批次
中车长春轨道客车股份有限公司
1组 CRH5J-0501
 
综合检测车
示意图为自动生成,仅供参考。
* M:动车;Mc:动车,控制车;Mp:动车带受电弓;T:拖车;Tc:拖车,控制车;Tp:拖车带受电弓
* ZE:二等座车;ZY:一等座车;ZS:商务座车;ZET:二等/特等座车;ZES:二等/商务座车;ZYT:一等/特等座车;ZYS:一等/商务座车;ZEC:二等座车/餐车;WR:软卧车;WE:二等卧车;WY:一等卧车;WG:高级软卧车;WRC:软卧车/餐车;CA:餐车
配属
进行学术研究建议查阅原文内容。 查看全部…

主要参考文献

[1] 高永军,曹林,叶娜,等.CRH5型动车组用IGBT器件寿命评估[J].铁道机车与动车,2022(12):36-38.
[2] 王琪斌,李秋泽,朴明伟,等.防风沙动车组车轮踏面凹磨形成及相关影响研究[J].大连交通大学学报,2022,43(02):27-32.
[3] 李特特,朴明伟,范军,等.基于整车稳定性态的自适应高速转向架动态设计[J].计算机集成制造系统,2022,28(02):385-408.
[4] 顾秀江,杨玺,解鹏.CRH5G型高寒动车组牵引辅助变流器研制[J].电子测试,2018(10):34-35.
[5] 王大伟,李瑞淳.对修订和制定CRH系列动车组常用技术标准的几点建议[J].城市轨道交通研究,2011,14(05):4-7.
[6] 张曙光.CRH5型动车组[M].北京:中国铁道出版社,2008.
[7] 李瑞淳,王大伟.CRH系列动车组技术标准的转化与研究[J].铁道技术监督,2007,(07):4-6.

其他相关文献

[8] 槐孝纪,程路明,黄鹏程,等.高效能永磁牵引电机新型电磁材料的应用研究[J].电机技术,2025,(02):29-32+37.
[9] 全国轨道交通电气设备与系统标准化技术委员会(SAC/TC 278).轨道交通电子设备 列车通信网络(TCN) 第4-1部分:基于绞线式列车总线(WTB)的列车通信网络试验方法:GB/T 28029.13-2025[S].中国标准出版社,2025.
[10] 李秋泽,单巍,张英春等.中国高速动车组转向架技术发展及展望[J].机车电传动,2023(02):14-35.
[11] 刘翰林,杨志刚,吴雨薇,等.250~400 km/h高速列车气动声学性能的仿真研究[J].铁道科学与工程学报,2023,20(09):3242-3250.
[12] 罗春晓.中国高铁动车组巡览[M].中国铁道出版社有限公司,2022.
[13] 张洁,ADAMU Abdulmalik,苏新超等.转向架区域简化对高速列车气动性能的影响(英文)[J].Journal of Central South University,2022,29(05):1717-1734.
[14] 任尊松,赵宇嘉,李玉怡,等.高速动车组转向架牵引制动载荷及损伤特征研究[J].机械工程学报,2022,58(12):151-158.
[15] 丁叁叁,陈大伟,刘加利.中国高速列车研发与展望[J].力学学报,2021,53(01):35-50.
[16] 李和平,严霄蕙.70年来我国铁路机车车辆制动技术的发展历程(续)[J].铁道机车车辆,2019,39(06):16-31.
[17] 李田,秦登,邹栋等.高速受电弓开闭口运行气动特性及对比研究[J].机械工程学报,2020,56(04):177-184.
[18] 李和平,严霄蕙.70年来我国铁路机车车辆制动技术的发展历程[J].铁道机车车辆,2019,39(05):25-35.
[19] 孙中央.列车牵引计算实用教程[M].北京:中国铁道出版社,2019.
[20] 唐明赞,熊小慧,钟睦等.高速列车外风挡安装间距对风挡气动特性的影响[J].铁道科学与工程学报,2019,16(04):850-859.
[21] 罗一童.中国火车大图集[M].中国铁道出版社有限公司,2019
[22] 冯江华.轨道交通永磁电机牵引系统关键技术及发展趋势[J].机车电传动,2018(06):9-17.
[23] 中华人民共和国铁道行业标准.TB/T 1407.1-2018.
[24] 中国铁路总公司运输局机务部.铁路机车概要——交流传动内燃、电力机车[M].北京:中国铁道出版社,2017.
[25] 梁炜昭,黄孝亮,尚红霞.动车组构造[M].北京:北京交通大学出版社,2017.
[26] 黄成荣.机车动力学若干问题研究[D].中国铁道科学研究院,2015.
[27] 中国铁路总公司.动车组闸片暂行技术条件:TJ/CL 307—2014[S].2014.
[28] 中国铁路总公司.动车组制动盘暂行技术条件:TJ/CL 310—2014[S].2014.
[29] 于梦阁,张继业,张卫华.横风下高速列车流线型头型多目标气动优化设计[J].机械工程学报,2014,50(24):122-129.
[30] 鲍维千,机车总体与转向架[M].北京:中国铁道出版社,2010.
同系列车型

简要说明:
本站并非CR或者CRRC官网,内容不代表官方,不会严格执行官方命名方式/分类等,若与官方不一致,不属于错误。本站无法保证数据的准确性,亦无法保证数据的时效性。本站所有动车组萌化头像均获得著作权,未经授权不得进行未署名的转发或进行二次创作。本站目前不接受任何形式的图片、视频投稿。不得将本站内容以截图、录屏等形式用于包括但不限于抖音、快手、西瓜视频、头条等视频创作。更多内容参见关于本站

一点点不一样的

在下面可以看到更多内容…

本站已运行4211天。

用脚步丈量每一寸轨道,
用心灵享受每一段旅程

列车开往的方向并不重要,
重要的是窗外的风景和看风景的心情。
处在嘈杂的动态中,
却是静而细腻的心思。

慧伊创新 © 2014-2026
计数器已经忙不过来了。