CJ3型(CRH3F)动车组设计时速160 km/h,基于既有高速动车组平台设计,整车设计采用欧洲标准,以1M1T作为一个单元,基础版本采用2M2T共4辆编组形式,可灵活扩编至6辆或8辆,具备升级至 200 km/h的能力和重联功能。
2016年12月,CJ3型动车组在中车唐山公司下线。
2017年11-12月间,CJ3型动车组参与石济客运专线联调联试工作。
2018年01-08月间,CJ3继续在石济客运专线进行测试。
2019年12月18日,CJ3型城际动车组获得由国家铁路局颁发的型号合格证和制造许可证,标志着该型号动车组具备批量生产和上线运营的条件。
2018-2020年期间利用CJ3动车组进行内置轴向转向架装车试验。
2025年10月,C]3型城际动车组氢能改造项目启动,该车重新改造为氢能动力。
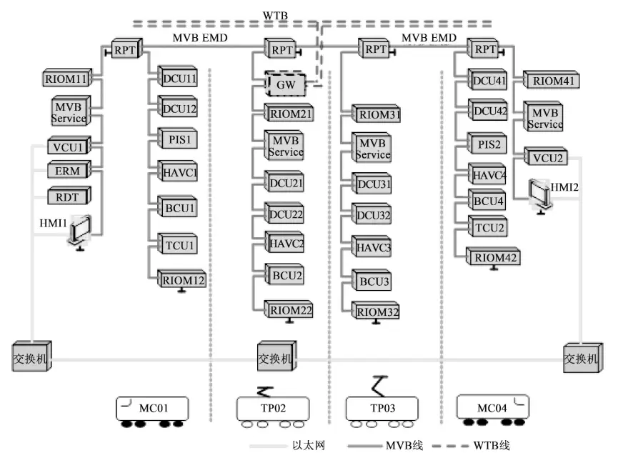
CJ3型动车组网络控制系统遵循GB/T28029.1—2011标准,采用EMD(Electrical Medium Distance,电气中距离介质)介质的多功能车辆总线(MVB,Multifunction Vehicle Bus)。网络控制系统采用MVB总线的TCN网络。每个端车各设一个中央控制单元VCU和人机接口显示屏HMI,互为主从和冗余,当其中一个设备发生故障时,列车能继续保持运行。骨架式MVB拓扑结构继承了CJ2型动车组单个MVB网段特点,预留WTB接口,用于列车扩编或重联;设有以太网,实现远程数据传输及程序远程升级功能;设有无线传输装置,实现数据的存储和远程数据无线发送功能。

本站已运行4318天。
列车开往的方向并不重要,
重要的是窗外的风景和看风景的心情。
处在嘈杂的动态中,
却是静而细腻的心思。